Pièce de suspension pour série 300 carrée, acier noir, charge maxi 500kg
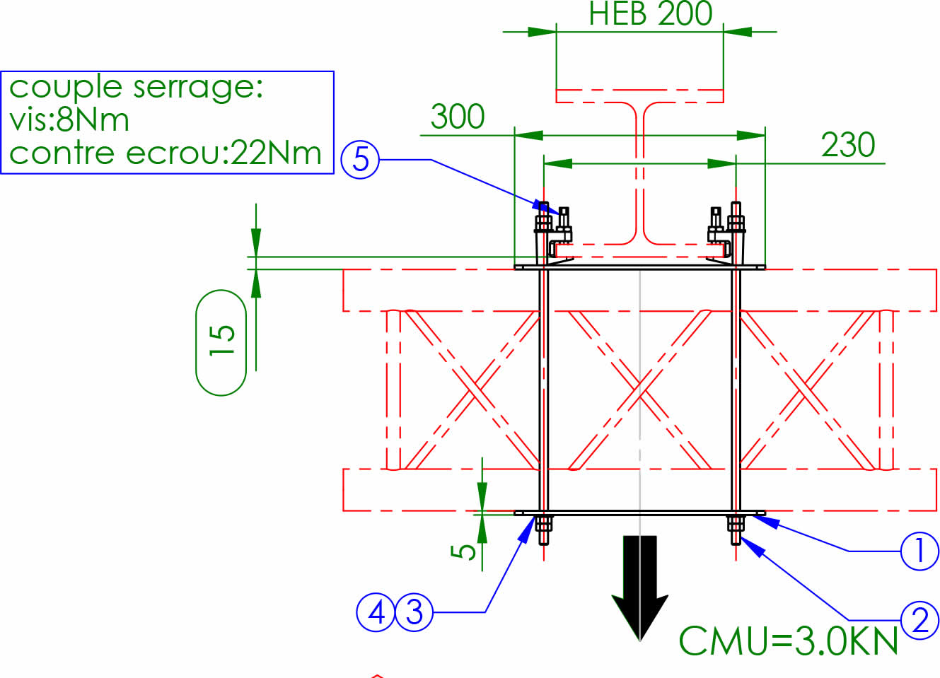
Ensemble d'accroche double pour série 300 carré sur poutre IPN type HEB180, CMU 300kg
Ensemble d'accroche double pour série 300 carré sur poutre IPN type HEB240, CMU 300kg
Ensemble d'accroche double pour série 300 carré sur poutre IPN type HEB160, CMU 300kg
Fixation murale acier pour structure carré ou triangulaire série 300, charge 560kg, déport 0,40m
Tête de totem pour poutre série 300 carré, noire, pour asservis type Martin (Axiom, Viper, Rush MH4)
Jeu de 4 x pieds tube alu 0,60m pour praticables ASD
T monotube couleur alu, pour tête de totem série 300 carré, longueur 1m
Jeu de 4 x pieds tube alu 0,40m pour praticables ASD
Tube Ø50, longueur 74cm, filetage M10 et lumière pour passage de câble à chaque extrémité
Nos équipes sont prêtes à répondre à vos besoins et à concrétiser vos projets. Contactez votre agence locale ou laissez-nous un message, nous serons ravis de vous accompagner.